
YFA-QS型組合式閥門測試機是羅浮閥門集團浙江濟寧西高泵閥有限公司生產的主要濟寧閥門試壓機產品。閥門吊裝要有專人指揮,設置警戒區,無關人員不得入內。吊裝用索具檢查合格,防止碰傷、砸傷。浙江西高泵閥有限公司地址位于浙江省永嘉縣甌北鎮東甌泵閥園區,咨詢電話:0577-67988555, 聯系郵箱E-Mail: [email protected]。
適用范圍:浙江西高泵閥有限公司的YFA-QS型組合式閥門測試機適用于各種直通式法蘭及螺紋連接的中、低壓閥門的強度、密封等各項測試。
產品特點:羅浮閥門集團浙江西高泵閥有限公司的組合式閥門測試機集機電、液壓、試壓使用于一體,具有功能完善、性能穩定、自動化程度高等特點。

YFA-QS型組合式閥門測試機都是依靠密封容積變化的原理來進行工作的,故一般稱為容積式組合閥門測試機,圖3-1所示的是一單柱塞液壓濟寧閥門試驗臺的工作原理圖,圖中柱塞2裝在缸體3中形成一個密封容積a,柱塞在彈簧4的作用下始終壓緊在偏心輪1上。閥門組合式液壓測試臺的原動機驅動偏心輪1旋轉使柱塞2作往復運動,使密封容積a的大小發生周期性的交替變化。當a有小變大時就形成部分真空,使油箱中油液在大氣壓作用下,經吸油管頂開單向閥6進入油箱a而實現吸油;反之,當a由大變小時,a腔中吸滿的油液將頂開單向閥5流入系統而實現壓油。這樣組合式閥門測試機就將原動機輸入的機械能轉換成液體的壓力能,原動機驅動偏心輪不斷旋轉,閥門液壓試驗臺就不斷地吸油和壓油。
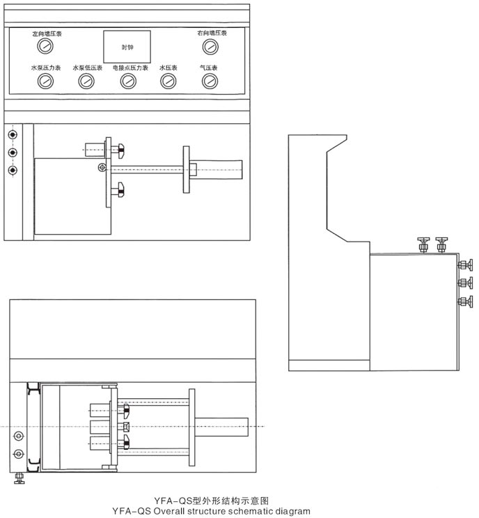
組合式閥門測試臺的外形結構示意圖:

組合式閥門測試機的操作要求
1、組合式閥門測試機所有線路配置要用專門的電工;無上崗證者嚴禁私拉亂接;
2、試壓用的電氣設備要安全接地;閥門試壓時要做到一機一閘一保護;
3、嚴格執行吊裝安全規定,達不到吊裝安全要求的,嚴禁起吊。
4、吊裝指揮人員持證上崗,組合式閥門測試機指揮手勢明確,旗語哨音清晰可辨。
5、吊車司機必須持證上崗,在正確領悟吊裝指揮人員的意圖后方可起吊。
6、施工作業人員不得隨意進入非施工區域,不得亂動生產區域內的設施、設備、閥門等。閥門試壓區域必須設隔離警戒區域,防止無關人員進入。
7、壓力試驗廢水排放施行定點排放,保持現場衛生清給其他施工作業人員提供良好作業環境。